PRODUCT DISPLAY
CONTANT US
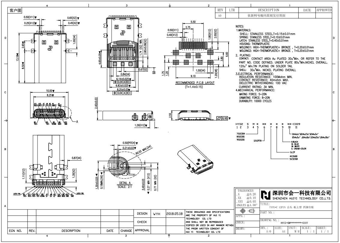
TYPE-C公头
![]() |
TYPE-C 12PIN公头 板上全贴 L=13.18点击次数:2403
发布时间:2020-03-26 15:50:23 |
|---|
手机:15112318178 电话:0755-27206751
邮件:sales02@huiyiusb.com